Насос циркуляційний Wilo Yonos Pico 1.0, 15/1-4-130, G 1, 10 бар, 130мм, 20Вт

немає в наявності
Характеристики
Додатково
Вага, кг
1,6
Комплектація
базова
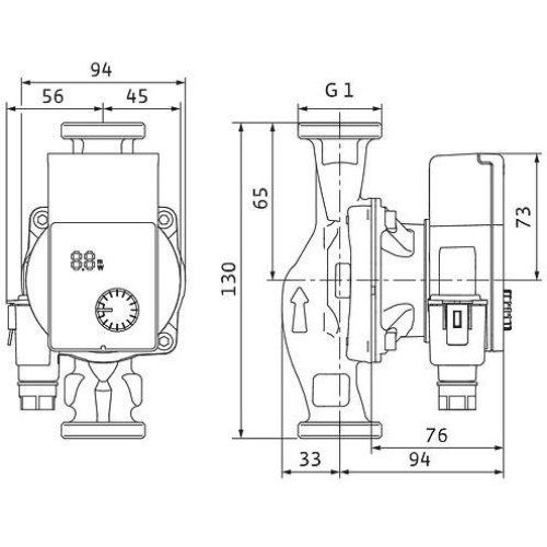
Розміри, мм
монтажний розмір 130
Ще
Корпус: чавун
Основні
Бренд
WILO
Живлення
мережа 220В/50Гц
Кількість фаз
1
Потужність двигуна, кВт
0,02
Тип
Циркуляційний насос опалення
Характеристики системи нагнітання/всмоктування
Висота нагнітання, м
4,3
Діаметр впускного/випускного отвору, дюйми
1 1/2 / 1 1/2
Допустимий розмір часток у воді, мм
для чистої води
Максимальна продуктивність, л/год
2700
Максимальний робочий тиск, бар
10
Відгуки
Залишити відгук
Фото та відео
Насос циркуляційний Wilo Yonos Pico 1.0, 15/1-4-130, G 1, 10 бар, 130мм, 20Вт
немає в наявності
Ваш товар доданий до кошику